取消
简答题背景一:
某市重点工程拟采用2024版工程量清单计价方式公开招标,最高投标限价为2600万元。经资格预审后,确定A、B、C、D、E共5家合格投标人。
招标文件规定:合同采用单价合同,分部分项工程项目与措施项目清单的准确性、完整性由承包人负责,购买招标文件的同时要求递交投标保证金50万元。
评标标准如下:
1.该项目的要求工期不超过18个月;
2.对各投标报价进行初步评审时,若最低报价低于有效标书的次低报价15%及以上,视为最低报价低于其成本价;
3.在详细评审时,对有效标书的各投标单位自报工期比要求工期每提前1个月给业主带来的提前投产效益按40万元计算;
4.经初步评审后确定的有效标书在详细评审时,除报价外,只考虑将工期折算为货币,不再考虑其他评审要素;
5.投标单位的投标情况如下:A、B、C、D、E五家投标单位均在招标文件规定的投标截止时间前提交了投标文件。各投标文件的主要内容,见题2-1表。
评标时,发现C投标人所报的已标价工程量清单项目的合价与其清单项目数量乘以综合单价计算结果不一致。
背景二:
某投资人拟建一座大型修配车间,建筑面积为30000m²,其工程设计方案部分资料如下:A、B、C三个方案的单方造价分别为2100元/m²、1990元/m²、1850元/m²。各方案功能权重及得分,见题2-2表。

根据背景一,回答下列问题:
1.招标文件有哪些不妥之处?说明理由。
2.根据评标要求列式计算各投标人的工期和报价,判别投标文件是否有效?如无效,说明理由。
3.评标委员会应如何处理C投标人?
根据背景二,回答下列问题:
4.运用价值工程,方案A、B、C三个方案的功能指数分别为(),最优设计方案为()。
A.0.326,0.339,0.335
B.0.354,0.335,0.311
C.方案A
D.方案B
E.方案C
5.为进一步降低费用,拟针对所选的最优设计方案以四个功能部分为对象进行价值工程分析,各功能项目得分值及其目前成本见题2-3表,按限额和优化设计要求,目标成本额应控制在90万元。
计算各功能项目中“结构体系”的功能指数与目标成本降低额分别为(),各功能项目改进排在第一位的是()。
A.0.333,6.80万元
B.0.167,0.50万元
C.0.278,2.60万元
D.结构体系
E.墙体材料
6.三个方案设计使用寿命均按50年计,基准折现率为10%,假设A方案期初一次性投资的建设总投资额为6150万元,年运行和维修费用为85万元,每10年大修一次,费用为720万元,已知B、C方案年度寿命周期经济成本分别为664.22万元和695.40万元,A方案的年度寿命周期经济成本为(),运用最小年费用法()为最佳设计方案。现值系数见题2-4表。
A.360.30
B.750.10
C.A方案
D.B方案
E.C方案
参考答案暂无
解析:问题1:
1.“合同采用单价合同,分部分项工程项目与措施项目清单的准确性、完整性由承包人负责”不妥。因为:采用单价合同的工程,分部分项工程项目清单的准确性、完整性应由发包人负责;但按项编制的措施项目清单的完整性及准确性应由承包人负责。
2.“购买招标文件的同时要求递交投标保证金50万元”不妥。因为:购买招标文件不代表一定投标,不投标时不需递交投标保证金;即使投标也应在投标截止日期前递交投标保证金。
问题2:
1.A投标人:工期=4+10+6=20(个月);报价=420+1000+800=2220(万元),因工期超过18个月,投标文件无效。
2.B投标人:工期=3+9+6-2=16(个月);报价=390+1080+960=2430(万元),投标文件有效。
3.C投标人:工期=3+10+5-3=15(个月);报价=420+1100+1000=2520(万元),投标文件有效。
4.D投标人:工期=4+9+5-1=17(个月);报价=480+1040+1000=2520(万元),投标文件有效。
5.E投标人:工期=4+10+6-2=18(个月);报价=400+830+850=2080(万元)。
E的报价最低,B的报价次低,两者之差=(2430-2080)/2430=14.4%<15%,投标文件有效。
问题3:
要求C投标人澄清说明。
投标人所报的已标价工程量清单项目的合价与其清单项目数量乘以综合单价计算结果不一致的,应以清单项目综合单价为准,修正合价。但如相应清单项目的合价除以其工程数量得到的综合单价与已标价工程量清单内相同清单项目的综合单价相符,或清单项目的综合单价小数点有明显错误或明显不合理的,应以清单项目合价为准,修正其综合单价。
但投标总价不得做任何调整,修正报价汇总后的总价应与投标函内填报的投标总价一致。
问题4:AE
附解题思路(答2-1表~答2-3表):

由答2-3表的计算结果可知,C方案价值指数最高,C方案最优。
问题5:AD
附:解题思路(答2-4表)
由答2-4表的计算结果可知,功能改进顺序依此为:结构体系、墙体材料、屋面类型、外墙类型。
问题6:BD
附:解题思路
A方案的年度寿命周期经济成本:
85+{720×[(P/F,10%,10)+(P/F,10%,20)+(P/F,10%,30)+(P/F,10%,40)]}×(A/P,10%,50)+6150×(A/P,10%,50)
=85+[720×(0.386+0.149+0.057+0.022)]/9.915+6150/9.915
=750.10(万元)
结论:B方案的寿命周期年费用最小,故选择B方案为最佳设计方案。
你可能喜欢
简答题I土木建筑工程
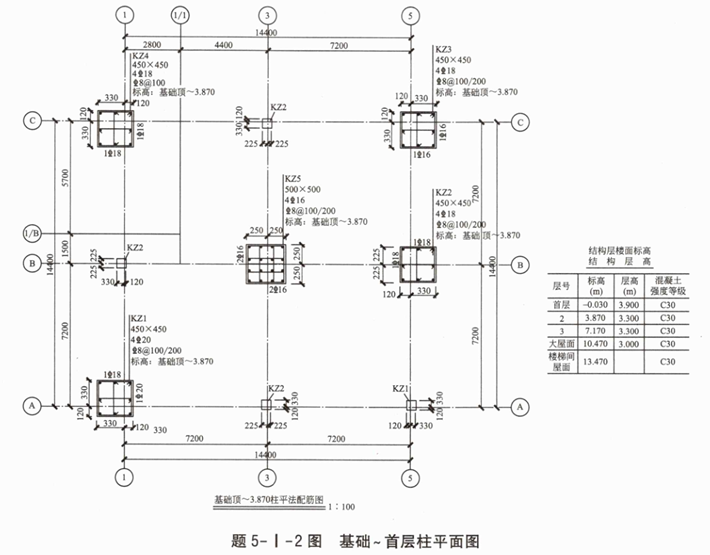
某综合楼项目,三层,首层层高为3.9m,室外地平面标高为-0.100m,除卫生间隔墙为120mm外,其余墙厚均为240mm,工程竣工图中的首层平面图、基础平面图、柱平面图等如题5-I-1图~题5-I-4图及题5-I-1表所示。





问题:
1.依据《房屋建筑与装饰工程工程量计算标准》GB/T50854—2024及《建设工程工程量清单计价标准》GB/T50500—2024,列式计算该工程以下分部分项工程的结算清单工程量,其中承台基础钢筋含量为50kg/m³混凝土。
(1)挖基坑土方(仅考虑承台部分)(施工方案:放坡从室外地坪放到垫层底,放坡系数0.33,垫层工作面每边留300mm)。
(2)预制钢筋混凝土实心桩(m)。
(3)承台基础混凝土(m³)、模板(m²)、钢筋(t)。
(4)基础连系梁JLL1混凝土(m³)。
(5)标高3.87m以下的柱混凝土(m³)。
(6)首层厨房吊顶(m²)。
2.某承包商投标并中标,该承包商的企业管理费、利润按人工费、机械费之和的20%计,利用问题1的计算结果和以下相关数据,列式计算承台独立基础混凝土、钢筋工程的综合单价,并编制题5-I-2表。相关数据如下:
①挖基坑土方,项目编码010102001,结算综合单价25.00元/m³。
②挖沟槽土方,项目编码010102002,综合单价35.00元/m³。
③回填土,项目编码010102007,结算综合单价为12.00元/m³。
④预制钢筋混凝土实心桩,项目编码010301001;中标综合单价为110元/m,结算综合单价为100.49元/m。
⑤C15基础垫层,项目编码010501001,结算综合单价460.00元/m³。
⑥C30混凝土承台独立基础,项目编码010502001;中标时综合单价580.00元/m³;中标时为C25预拌混凝土,含税单价为400元。实际结算时混凝土变更为C30预拌混凝土,含税单价为420元,已知混凝土增值税进项税率为13%,每立方米清单消耗量为1.1。
⑦基础连系梁,项目编码010502005,结算综合单价555.00元/m³。
⑧基础模板,项目编码010505002,结算综合单价50.00元/m²。
⑨招标文件规定钢筋为暂估材料,暂估不含税单价为3800元/t,其中现浇混凝土基础钢筋,项目编码010506001,中标时综合单价5200元/t,损耗率按2%计。实际施工中,钢筋结算价按不含税单价4000元/t计,结算量同中标清单量。列式计算独立基础钢筋的综合单价。
3.该项目合同中约定的暂列金额为10万元,在实际结算时,承包商工程索赔费用2万元,新增工程费用4万元,专业工程价款20万元,总承包服务费10000万元,计日工10个工日,工日单价为180元/工日,水泥2.6t,综合单价为410元/t;中砂10m³,综合单价为220元/m³,灰浆搅拌机(400L)2个台班,台班含税单价为30.50元/台班(税率按13%),列式计算实际结算的计日工费用,并编制其他项目清单结算汇总表(题5-I-3表)。(计算结果保留两位小数)

4.竣工结算时,经造价工程师测算该项目分部分项工程实际费用为858000元,措施项目实际费用为171600元,其中,安全生产措施费为分部分项费用的1%,其他项目费用利用问题3的计算结果,增值税税率按9%计取,列式计算增值税,并补充完成该工程的竣工结算表(题5-I-4表)。(该表直接填写计算结果)
(除特别说明外,计算结果均保留两位小数)
