案例分析
首页
题库首页
在线模考
取消
取消
hot
热门搜索
一级建造师块
热
消防工程师块
热
初级会计师
证券从业
电气工程师
银行招聘
教师资格块
热
基金从业
更多热门>>
简答题
土木建筑工程(2023年)
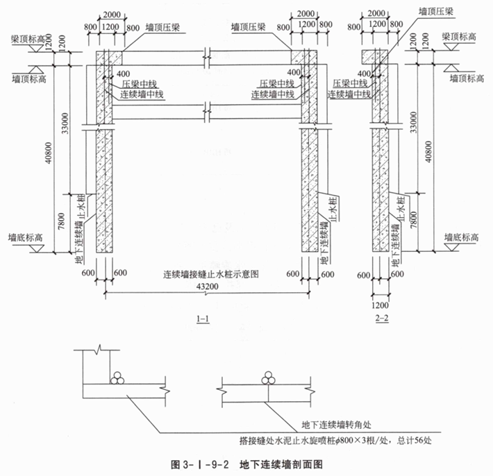
某城市双向5.60km长距离地下隧道工程采用盾构机掘进施工。
其中以地下连续墙为主体结构的工程施工图和相关参数见图3-I-9-1、图3-I-9-2。工程造价咨询公司编制的该地下连续墙分部分项工程项目清单编码及综合单价见表3-I-9-1。
问题:
1.根据图3-I-9-1所示内容和相关数据及已知信息,按《房屋建筑与装饰工程工程量计算标准》GB/T50854—2024的计算规则,在答题卡表3-I-9-2中列式计算该盾构施工钢筋混凝土地下连续墙、φ800水泥止水旋喷桩、钢筋混凝土连续墙顶压梁、地下连续墙钢筋笼制作安装及墙顶压梁钢筋制作绑扎等实体工程分部分项工程量。已知地下连续墙和墙顶压梁的钢筋含量分别为79.76kg/m³和106.54kg/m³。
2.根据问题1的计算结果和表3-I-9-1已知数据,按《房屋建筑与装饰工程工程量计算标准》GB/T50854—2024及《建设工程工程量清单计价标准》GB/T50500—2024的计算规则,在答题卡表3-I-9-3中编制地下连续墙土建实体分部分项工程项目清单计价表(已知相关墙顶压梁模板项目费为1470000.00元)。
3.安全生产措施费按分部分项工程费的3.6%,招标文件中列明基坑监测设施暂列金额250000.00元,基坑土方挖运专业工程暂估价8120000.00元(含税20000.00元),基坑降水工程暂估价1300000.00元(含税30000.00元),总承包服务费按专业工程暂估价4%计取,增值税销项税税率为9%,根据问题1、2的计算结果计算地下连续墙护坡工程招标控制价,并在答题卡表3-I-9-4中编制该盾构施工地下连续墙土建实体招标控制价汇总表。
参考答案
暂无
解析:
1.参见表3-I-9-5。
2.参见表3-I-9-6。
3.安全生产措施费:43161133.94×3.6%=1553800.82(元)
总包服务费:(8120000.00-20000+1300000.00-30000.00)×4%=9370000×4%=374800(元)
增值税:(43161133.94+1553800.82+374800)×9%=45089734.76×9%=4058076.13(元)
参见表3-I-9-7。
点击查看答案
进入在线模考
你可能喜欢
简答题
土木建筑工程(2024年)
某建筑面积28860.00m²的钢筋混凝土框架结构多层工业厂房,其厂房主体结构工程分部分项工程工程量清单及综合单价见表3-I-10-1。由于该厂房二层局部工艺和活荷载条件变化,为了增加该部位结构的抗震性能,单位出具涉及该部位结构的钢筋混凝土框架柱、梁、板使用的预拌混凝土中添加适量专用YKT钢纤维的设计变更,变更的具体内容和相关参数如图3-I-10-1和图3-I-10-2所示。钢纤维混凝土梁的消耗定额及指导价格信息见表3-I-10-2。
问题:
1.根据图3-I-10-1、图3-I-10-2所示内容和表3-I-10-1中的有关数据,按《房屋建筑与装饰工程工程量计算标准》GB/T50854—2024的计算规则,在答题卡表3-I-10-3中列式计算设计变更后的该厂房主体结构工程中添加钢纤维的钢筋混凝土框架柱、梁、板分部分项工程量,并调整原有钢筋混凝土框架柱、梁、板实体工程分部分项工程量。(注:计算与钢纤维混凝土梁共同浇筑的钢纤维混凝土框架柱长度同相交梁高度)
2.根据问题1的有关计算结果、表3-I-10-2给定的基础数据和下面的已知信息,按《建设工程工程量清单计价标准》GB/T50500—2024的计算规则,在答题卡表3-I-10-4中编制钢纤维混凝土梁综合单价分析表,已知企业管理费按人工费、材料费、机械费之和的10%计取,利润按人工费、材料费、机械费、企业管理费之和的7%计取。
3.根据问题1、问题2的计算结果,以及表3-I-10-1中已有的数据和下面的已知信息,按《建设工程工程量清单计价标准》GB/T50500—2024的计算规则,在答题卡表3-I-10-5中编制该厂房主体结构工程实体分部分项工程项目清单计价表,经计算C40钢纤维混凝土框架柱及钢纤维混凝土板的综合单价分别为1074.00元/m³和1060.00元/m³。
4.根据问题3的计算结果和下面的已知信息,按《建设工程工程量清单计价标准》GB/T50500—2024的计算规则,在答题卡表3-I-10-6中编制该厂房主体结构单位工程项目清单汇总表,已知措施项目费中安全生产措施费占分部分项工程费的4.5%,其他措施费为4386300.00元;其他项目费用为零;增值税税率按9%计取。
(注:无特殊说明的,费用计算时均为不含税价格;除综合单价分析表中“数量”保留三位小数外,其余结果保留两位小数)
(1)安全生产措施费:
(2)措施项目费:
点击查看答案
进入在线模考
简答题
管道和设备工程(2013年)
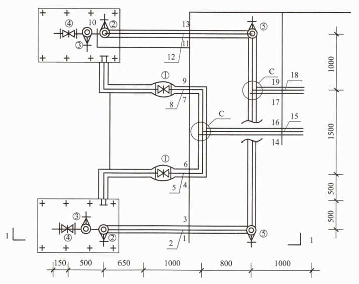
1.图3-Ⅱ-1-1为某加压泵房工艺管道系统安装平面图。
2.假设管道的清单工程量如下:
φ325×8低压管道21m;φ219×32中压管道32m,φ168×24管道23m,φ114×16管道7m。
3.相关分部分项工程量清单项目编码见表3-Ⅱ-1-1。
4.φ219×32碳钢管道工程的相关定额见表3-Ⅱ-1-2。
该工程的人工单价为80元/工日,企业管理费和利润分别是人工费的83%和35%。
问题:
1.按照图3-Ⅱ-1-1所示内容,列式计算管道、管件安装项目的清单工程量。
2.按照背景资料2、3给出的管道工程量和相关分部分项工程量清单统一编码,及图3-Ⅱ-1-1规定的管道安装技术要求与法兰数量,根据现行国家标准《通用安装工程工程量计算标准》GB/T50856—2024、《建设工程工程量清单计价标准》GB/T50500—2024规定,编制管道、法兰安装项目的分部分项工程量清单,填入答题纸表3-Ⅱ-1-3中。
3.按照背景条件4中的相关定额,根据现行国家标准《通用安装工程工程量计算标准》GB/T50856—2024、《建设工程工程量清单计价标准》GB/T50500—2024规定,列式计算φ219×32中压管道(单重147.5kg/m)安装分部分项工程量清单综合单价。
(数量栏保留三位小数,其余保留两位小数)
点击查看答案
进入在线模考
简答题
管道和设备工程(2014年)
工程背景资料如下:
1.图3-Ⅱ-2-1为某泵房工艺及伴热管道系统部分安装图。
2.假设管道安装工程的分部分项清单工程量如下:
φ325×8低压管道7m;φ273.1×7.1中压管道15m;φ108×4.5管道5m,其中低压2m,中压3m;φ89×4.5管道1.5m,φ60×4管道40m,均为中压。
3.相关分部分项工程量清单项目编码见表3-Ⅱ-2-1。
4.φ325×8碳钢管道安装工程定额的相关数据见表3-Ⅱ-2-2。
该管道安装工程的管理费和利润分别按人工费的20%和10%计。
问题:
1.按照图3-Ⅱ-2-1所示内容,列式计算管道、管件安装项目的分部分项清单工程量。
(注:其中伴热管道工程量计算,不考虑跨越三通、阀门处的煨弯增加量。图3-Ⅱ-2-1中所标注伴热管道的标高、平面位置,按与相应油管道的标注等同计算)
说明:1.本图为某泵房工艺及伴热管道系统部分安装图,标高以“m”计,其余尺寸均以“mm”计。
2.管道材质为20号无缝钢管,管件均为成品,法兰为对焊法兰。焊接方式为氩电联焊。
3.管道焊缝进行X光无损检验,水压强度和严密性试验合格后,压缩空气吹扫。
4.伴热管用镀锌钢丝捆绑在油管道外壁上,水平管段捆绑在油管下部两侧。图中标注的伴热管道标高、平面位置为示意,可视为与相应油管道等同。
5.管道就位后,其外壁进行人工除锈,再刷红丹防锈漆两遍。
6.管线采用岩棉保温,保温层厚度有伴热管的为50mm,其他为30mm,玻璃布防潮,0.5mm厚铝皮保护。
7.伴热管和泵后油管道设计压力为2.0MPa,泵前油管道压力为0.4MPa。
2.按照背景资料2、3中给出的管道工程量和相关分部分项工程量清单统一编码,以及图3-Ⅱ-2-1所示的技术要求和阀门数量,根据现行国家标准《通用安装工程工程量计算标准》GB/T50856—2024和《建设工程工程量清单计价标准》GB/T50500—2024规定,编制管道、阀门安装项目的分部分项工程量清单,填入答题纸表3-Ⅱ-2-3中。
3.按照背景资料4中的相关定额,根据现行国家标准《通用安装工程工程量计算标准》GB/T50856—2024和《建设工程工程量清单计价标准》GB/T50500—2024规定,列式计算φ325×8低压管道(单重62.54kg/m)安装分部分项工程量清单综合单价。(计算结果保留两位小数)
点击查看答案
进入在线模考
延伸阅读