土木建筑工程(2016年) 某写字楼标准层电梯厅共20套,施工企业中标的“分部分项工程项目清单与计价表”见表3-I-2-1。现根据图3-I--考呗网题库移动版
案例分析
首页 题库首页在线模考
取消
简答题土木建筑工程(2016年)
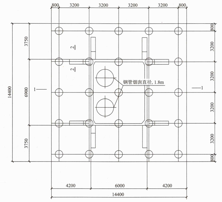
某写字楼标准层电梯厅共20套,施工企业中标的“分部分项工程项目清单与计价表”见表3-I-2-1。现根据图3-I-2-1~图3-I-2-3所示的电梯厅土建装修竣工图及相关技术参数,回答下列问题。
 
 
 
 
 
问题:
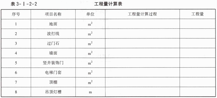
1.根据工程竣工图纸及技术参数,按现行国家标准《房屋建筑与装饰工程工程量计算标准》GB/T50854—2024的计算规则,在答题卡表3-I-2-2“工程量计算表”中,列式计算该20套电梯厅楼地面、墙面(装饰高度3000mm)、顶棚、门和门套等土建装饰分部分项工程的工程量(竖井装饰门内的其他项目不考虑)。
 
2.根据问题1的计算结果及合同文件中“分部分项工程项目清单计价表”的相关内容,按现行国家标准《建设工程工程量清单计价标准》GB/T50500—2024的要求,在答题卡表3-I-2-3“分部分项工程项目清单计价表”中编制该土建装饰工程结算。
 
3.按该分部分项工程竣工结算金额1600000.00元,安全生产措施费按分部分项工程结算金额的3.5%计取,其余措施项目清单结算金额为18000.00元,其他项目费为零,人工费占分部分项工程及措施项目费的13%,增值税税率按9%计取。按现行国家标准《建设工程工程量清单计价标准》GB/T50500—2024的要求,在答题卡中列式计算安全生产措施费、措施项目费、增值税,并在答题卡表3-I-2-4“单位工程竣工结算汇总表”中编制该土建装饰工程结算。
(计算结果保留两位小数)
 

参考答案暂无
解析:1.参见表3-I-2-5。
 
2.参见表3-I-2-6。
 
3.(1)安全生产措施费=1600000×3.5%=56000.00(元)
(2)措施项目费=56000.00+18000.00=74000.00(元)
(3)增值税=(1600000+74000)×9%=150660.00(元)
具体见表3-I-2-7。
 

你可能喜欢

简答题土木建筑工程(2017年)
某工厂机修车间轻型钢屋架系统,如图3-I-3-1“轻型钢屋架结构系统布置图”、图3-I-3-2“钢屋架构件图”所示。轻型钢屋架安装、油漆等定额基价表见表3-I-3-1。
 
 
 
 
问题:
1.根据该轻型钢屋架工程施工图纸及技术参数,按现行国家标准《房屋建筑与装饰工程工程量计算标准》GB/T50854—2024的计算规则,在答题卡表3-I-3-2“工程量计算表”中,列式计算该轻型钢屋架系统分部分项工程量。(屋架上、下弦水平支撑及垂直支撑仅在①~②、⑧~⑨、⑯~⑰柱间屋架上布置)
 
2.经测算轻型钢屋架表面涂刷工程量按35m²/t计算;现行国家标准《房屋建筑与装饰工程工程量计算标准》GB/T50854—2024中钢屋架的项目编码为010602001,企业管理费按人工费、材料费、机械费之和的10%计取,利润按人工费、材料费、机械费、企业管理费之和的7%计取,按现行国家标准《建设工程工程量清单计价标准》GB/T50500—2024的要求,结合轻型钢屋架消耗量定额基价表,列式计算每吨钢屋架油漆、防火漆的消耗量与费用及其他材料费用;并在答题卡表3-I-3-3“轻型钢屋架综合单价分析表”中编制轻型钢屋架综合单价分析表。
(1)每吨钢屋架油漆消耗量:
每吨钢屋架油漆材料费:
每吨钢屋架防火漆消耗量:
每吨钢屋架防火漆材料费:
每吨钢屋架其他材料费:
(2)轻型钢屋架综合单价分析表见表3-I-3-3。
 
3.根据问题1和问题2的计算结果,按现行国家标准《建设工程工程量清单计价标准》GB/T50500—2024的要求,在答题表3-I-3-4“分部分项工程项目清单计价表”中,编制该机修车间钢屋架系统分部分项工程项目清单计价表。
 
4.假定该分部分项工程费为185000.000元;安全生产措施费按分部分项工程费的4.5%计取,其余措施费为25000元;其他项目费为零;增值税税率按9%计取。按《建设工程工程量清单计价标准》GB/T50500—2024的要求,在答题卡中列式计算安全生产措施费、措施项目费、增值税,并在答题卡表3-I-3-5“单位工程招标控制价汇总表”中编制该轻型钢屋架系统单位工程招标控制价。
 
(上述各问题中提及的各项费用均不包含增值税可抵扣进项税额,所有计算结果保留两位小数)

简答题土木建筑工程(2018年)
某城市生活垃圾焚烧发电厂钢筋混凝土多管式(钢内筒)80m高烟囱基础,如图3-I-4-1“钢内筒烟囱基础平面图”、图3-I-4-2“旋挖钻孔灌注桩基础图”所示。已建成类似工程钢筋用量参考指标见表3-I-4-1“单位钢筋混凝土钢筋参考用量表”。
 
 
 
 
问题:
1.根据该多管式(钢内筒)烟囱基础施工图纸、技术参数、参考资料及答题卡
表3-I-4-2中给定的信息,按现行国家标准《房屋建筑与装饰工程工程量计算标准》GB/T50584—2024的计算规则,在答题卡表3-I-4-2“工程量计算表”中,列式计算该烟囱基础分部分项工程量。(筏板上8块FB辅助侧板的斜面在混凝土浇捣时必须安装模板)
 
2.根据问题1的计算结果及表3-I-4-3中给定的信息,按照现行国家标准《建设工程工程量清单计价标准》GB/T50500—2024的要求,编制该烟囱钢筋混凝土基础分部分项工程项目清单计价表。
 
3.假定该整体烟囱分部分项工程费为2000000.00元;安全生产措施费按分部分项工程费的3.5%计取,其他总价措施项目费为150000.00元;其他项目考虑基础基坑开挖的土方、护坡、降水专业工程暂估价为110000.00元(含税);总承包服务费总价为5500.00元;人工费占比分别为分部分项工程费的8%、措施项目费的15%;增值税税率按9%计取。按《建设工程工程量清单计价标准》GB/T50500—2024的要求,在答题卡中列式计算安全生产措施费、措施项目费、人工费、总承包服务费、增值税;并在答题卡表3-I-4-4“单位工程最高投标限价汇总表”中编制该钢筋混凝土多管式(钢内筒)烟囱单位工程最高投标限价。
(1)安全生产施工费:
(2)措施项目费:
(3)人工费:
(4)总承包服务费:
(5)增值税:
 
(上述问题中提及的各项费用均不包含增值税可抵扣进项税额,所有计算结果均保留两位小数)

简答题土木建筑工程(2019年)
某城市188m大跨度预应力拱形钢桁架结构体育场馆,下部钢筋混凝土基础平面布置图及基础详图设计如图3-I-5-1“基础平面布置图”、图3-I-5-2“基础详图”所示,中标该项目的施工企业,考虑为大体积混凝土施工,为加强成本核算和清晰掌握该分部分项工程实际成本,拟采用实物量法计算该分部分项工程费用目标管理控制价。该施工企业内部相关单位工程量人、材、机消耗定额及实际掌握项目所在地除税价格见表3-I-5-1“企业内部单位工程量人、材、机消耗定额”。
 
 
 
 
问题:
1.根据该体育场馆基础设计图纸、技术参数,按现行国家标准《房屋建筑与装饰工程工程量计算标准》GB/T50854—2024的计算规则,计算该大跨度体育场馆钢筋混凝土基础分部分项工程量(表3-I-5-2),已知:钢筋混凝土独立基础综合钢筋含量为72.50kg/m³,钢筋混凝土矩形基础柱综合钢筋含量为118.70kg/m³。
 
2.根据问题1的计算结果,在答题卡中列式计算该分部分项工程人工、材料、机械使用费消耗量,并在答题卡表3-I-5-3中,计算该分部分项工程人、材、机费,施工企业结合相关方批准的施工组织设计测算的项目模板工程人、材、机费为640000.00元;施工企业内部规定安全生产措施及其他总价措施费的人、材、机费按分部分项工程人、材、机费及模板工程人、材、机费之和的2.50%计算。
(1)人工消耗量:
(2)C15商品混凝土:
(3)C30商品混凝土:
(4)钢筋:
(5)其他辅助材料费:
(6)机械使用费:
(7)模板工程人、材、机费:
(8)安全生产措施及其他总价措施费的人、材、机费:
 
3.若施工过程中,钢筋混凝土独立基础和矩形基础柱使用的C30混凝土变更为C40混凝土(消耗定额同C30混凝土,除税价480.00元/m³),其他条件均不变,根据问题1、2的条件和计算结果,在答题卡中列式计算C40商品混凝土消耗量、C40与C30商品混凝土除税价差,以及由于商品混凝土价差产生的该分部分项工程、模板工程项目和安全生产措施及其他总价措施费人、材、机增加费总计多少。
4.假定该钢筋混凝土基础分部分项工程人、材、机费为6600000.00元,其中人工费占13%,企业管理费按人、材、机费的6%计算,利润按人、材、机费和企业管理费之和的5%计算,增值税税率按9%计取。请在答题卡表3-I-5-4“分部分项工程费用目标管理控制价计算表”中编制该钢筋混凝土基础分部分项工程费用目标管理控制价。
 
(上述各问题中提及的各项费用均不包含增值税可抵扣进项税额,计算结果有小数的均保留两位小数)

延伸阅读